|
|
| SDR [DUST SEAL] |
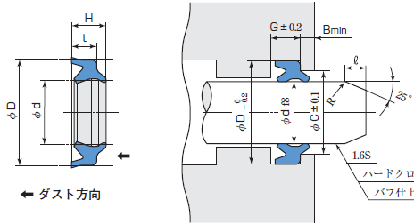
¿ÜºÎ·ÎºÎÅÍÀÇ ¸ÕÁö¿Í Ƽ²øÀÇ Ä§ÀÔÀ» ¹æÁöÇÏ°í ÆÐÅ·°ú º£¾î¸µÀ» º¸È£ÇÕ´Ï´Ù. SDR ½ºÅ©·¹ÆÛ´Â ´ëÁßÀûÀÎ ³¢¿ö³Ö±â ŸÀÔÀÇ ´õ½ºÆ®¾Á·Î ÁÖ·Î ½Ç³»¼³Ä¡ÀÇ ½Ç¸°´õ¿ëÀÔ´Ï´Ù. ÁÖ ¿ë µµ : À¯°ø¾Ð ½Ç¸°´õ, ÀúÀ¯¾Ð.¿¡¾îÇÏÀÌ·Îµå ½Ç¸°´õ,ÀϹÝÀûÀÎ ½Ç³» ¼³Ä¡¿ë ½Ç¸°´õ |
 |
| PDU-TYPE DUST SEAL |
 |
|
|