Á¦Ç°¾È³»
¿À¸µ
°¢¸µ
¿ÀÀϾÁ(¸®µ¥³ª)&¸³¾Á
¼öÀÔÆÐÅ·
À¯°ø¾ÐÆÐÅ·
¸ÞÄ«´ÏÄ®¾Á
¹æÁø°í¹«.°í¹«¹ß
°í¹«Ä¸.¾Øµåĸ
ºÎ½Ì.T¹ß.°í¹«¸¶°³
ÆÄÀÌÇÁ¼ÕÀâÀÌ
ÀÚ¹Ù¶ó
Vaccum Pad(ÈíÂø±â)
°í¹«¾ÐÃâ
³ëºê.±×¸³.·¹¹ö.ÇÚµé
°í¹«ÆÇ
°¡½ºÄÏ,±×·£µåÆÐÅ·
½ºÆùÁö
½Ç¸®ÄÜ Á¦Ç°
¿ì·¹Åº Á¦Ç°
·Î¶óÄÚÆÃ
¿ÀÀϰÔÀÌÁö(À¯¸é°è)
ÁÖ¹®Á¦ÀÛ ¼ºÇü



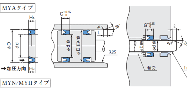
MYA ÆÐÅ· [ÇǽºÅæ, ·Îµå¾ç¿ë ÆÐÅ·]
 

 MYA´Â ¼Ò±¸°æ °ø±â¾Ð¿ë ½Ç¸°´õÀÇ UÆÐÅ·À¸·Î »ç¿ëµÈ´Ù.
 MYA´Â ¸¶Âû ÀúÇ×ÀÌ Àû°í ¼Ò±¸°æ½Ç¸°´õµî¿¡ ÀûÇÕ ÇÕ´Ï´Ù.
 MYA´Â MYNI-Y·Îµµ ȣĪµË´Ï´Ù.
 Àç Áú : NBR, VITON